Wandauslegerkrane
Auslegerkrane, Auslegerkrane, Hersteller/Lieferant von freistehenden Auslegerkranen in China, die Auslegerkrane mit Wandhalterung, Girlandensystem-Leiterkabel-C-Schienensystem anbieten
Beschreibung
Produktbeschreibung

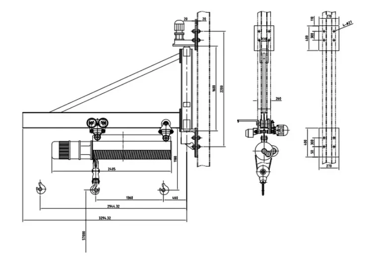
Der Wandauslegerkran ist eine Art Auslegerkran. Der Auslegerkran hat eine leichte Arbeitskraft. Der Kran besteht aus einem Säulenschwenkarm-Schwenkantrieb und einem elektrischen Hebezeug. Das untere Ende der Säule wird mit Ankerbolzen am Betonfundament befestigt. Das Zykloiden-Windrad-Untersetzungsgetriebe treibt den Ausleger zum Schwenken an. Das elektrische Hebezeug läuft gerade nach links und rechts auf dem freitragenden I-Träger und hebt schwere Gegenstände. Der Kranausleger ist eine hohle Stahlkonstruktion mit geringem Eigengewicht, großer Spannweite, großer Tragfähigkeit und ist wirtschaftlich und langlebig.
Vergleich der Produktparameter
|
Hubhöhe |
M |
5~6 |
|
Hubgeschwindigkeit |
M/Min |
8 |
|
Reisegeschwindigkeit |
M |
20 |
|
Maximale Länge |
M |
4.3~5.43 |
|
Gesamtgewicht |
KG |
389~420 |
|
Schwenkwinkel |
180 Grad, 270 Grad, 360 Grad und individuell |
|
Vorsichtsmaßnahmen für wandmontierte Auslegerkrane
Wird die Maschine im Freien aufgestellt und eingesetzt, müssen zuverlässige Regenschutzmaßnahmen installiert werden.
Nachdem der Ausleger und die Halterung zusammengebaut sind, sollten sie so zusammengebaut werden, dass ① der Schwenkarm flexibel um 180 Grad um die Säule gedreht werden kann; ② Stellen Sie die Einstelldichtung so ein, dass das Auslegerende die obere Auslenkung F erreicht, die größer oder gleich R/250 ist (R ist der Rotationsradius).
Während des Betriebs dürfen die Auf- und Ab-Tasten sowie die Rückwärtslauftaste desselben Motors nicht gleichzeitig gedrückt werden.
Beim Arbeiten ist es verboten, sich unter dem Kranarm aufzuhalten.
Das Schleppen schwerer Gegenstände ist verboten.
Das Heben von Lasten ist verboten.
Der an der Wand montierte Auslegerkran soll den Kranausleger an der Wand oder Haussäule des Benutzers installieren, wodurch die räumliche Struktur der Werkstatt voll ausgenutzt, Produktionsfläche gespart und flexibel gearbeitet werden kann. Es wird in Werkstätten oder Lagerhallen eingesetzt. Der an der Wand montierte Auslegerkran (auch bekannt als: Wandsäulenauslegerkran, Wandsäulenauslegerkran, Wandsäulenauslegerkran, Wandkran, an der Wand montierter Auslegerkran) ist ein spezielles Hebegerät, das entsprechend den Anforderungen des Benutzers entwickelt wurde. Es bietet die Vorteile einer neuartigen Struktur, einer vernünftigen und einfachen Struktur, einer einfachen Bedienung und Verwendung, einer flexiblen Rotation, eines geringen Gewichts und einer flexiblen Lastbewegung. Es handelt sich um ein energiesparendes und effizientes Materialhebegerät. Es kann häufig in Fabriken, Bergwerken, Werkstätten, Produktionslinien, Montagelinien und Werkzeugmaschinen sowie in Lagerhäusern, Docks und anderen Fällen zum Heben schwerer Lasten eingesetzt werden. Der Wandschwenkkran (Wandkran) besteht aus einer Halterung, einer Auslegervorrichtung und einem elektrischen Kettenzug. Der Ausleger wird an der Wand oder Betonsäule befestigt und kann je nach Bedarf des Benutzers gedreht werden. Der rotierende Teil ist in manuelle Rotation und elektrische Rotation unterteilt. Der elektrische Kettenzug wird auf der Kragschiene zum Heben schwerer Gegenstände montiert.

Beliebte label: Wandauslegerkrane China, Hersteller, Lieferanten, maßgeschneidert, Angebot, Angebot, Preis
Anfrage senden
Das könnte dir auch gefallen













